▍ 簡要說明 ↴
YLCT/PT-5031互感器特性綜合測試儀操作簡單方便,測量準確可靠,可在高溫、高濕、極寒環境下使用,是一款性價比極高的互感器測試設備。
▍ 功能特點 ↴
◆ 功能全面,可測試CT/PT的伏安特性,5%、10%和15%誤差曲線,變比,極性,二次負載,二次回路,二次耐壓,具有拐點自動計算功能,試驗數據篩選打印功能,退磁功能。
◆ 輸出電壓高、容量大,設備電源輸出全部為真實電壓和電流值,波形為標準正弦波,頻率為50Hz,能夠真正有效模擬互感器的真實狀態,符合國家相關檢修規定。
◆ 大屏幕全漢化圖形界面、旋轉鼠標操作,測試時直接顯示伏安曲線圖,坐標自動縮放,清晰美觀,直觀方便,面板自帶打印機,可隨時打印曲線圖及測試數據。具有背光軟件調整功能,自帶日期/時間功能。
◆ 大容量存儲器,可存儲2000組測試數據,數據掉電永不丟失,具有完善的數據查詢、瀏覽、打印、清空等功能。帶有RS232通信接口和U盤接口,可以通過接口將數據上傳至電腦保存、顯示編輯、打印。
◆ 單機一體化,重量輕,僅重20kg,方便攜帶,便于流動試驗。
▍ 型號/技術參數 ↴
|
型號 |
功能及參數 |
||||||||
|
YLCT/PT -5031 |
|
輸入電壓 |
輸出zui高電壓 |
輸出zui大電流 |
功率 |
測量精度 |
|||
|
CT伏安輸出 |
220V |
0—2500V |
15A |
3kVA |
< 0.5% |
||||
|
CT變比輸出 |
220V |
0-8V |
0—600A |
――― |
< 0.5% |
||||
|
CT變比測量 |
比值zui高顯示:999.9K:5/1 |
< 0.5% |
|||||||
|
PT 變比測量 |
比值zui高顯示:999.9K:100、150、100/3、100/√3 |
< 0.5% |
|||||||
|
直阻測量 |
zui高測量阻值:0.1-20Ω |
1Ω以下3% 1Ω以上<1% |
|||||||
|
角差 |
zui小顯示:0.01分 精度:±10分 |
比差 |
zui小顯示:0.01% 精度:<0.5% |
||||||
|
二次通流 |
電流:0-200A 時間:1~5分鐘 |
二次耐壓 |
電壓:0-2500V 時間:1~5分鐘 |
||||||
|
工作溫度 |
-10~55℃ |
工作電壓 |
AC220V(±20%)50HZ |
||||||
|
體積 |
420×300×270mm |
重量 |
26kg |
||||||
YLCT/PT
-5031A
輸入電壓
輸出zui高電壓
輸出zui大電流
功率
測量精度
CT伏安輸出
220V
0—1000V
15A
3kVA
< 0.5%
PT伏安輸出
220V
0—330V
0-5A
3kVA
< 0.5%
CT變比輸出
220V
0-8V
0—600A
―――
< 0.5%
PT變比輸出
220V
0—1000V
―――
―――
< 0.5%
CT 變比測量
比值zui高顯示:999.9K:5/1
< 0.5%
PT 變比測量
比值zui高顯示:999.9K:100、150、100/3、100/√3
< 0.5%
二次通流
電流:0-200A
時間:5分鐘
二次耐壓
電壓:0-1000V
時間:5分鐘
工作溫度
-10~55℃
工作電壓
AC220V(±20%)50HZ
體積
350×240×270mm
重量
20kg

YLCT/PT
-5031E
輸入電壓
輸出zui高電壓
輸出zui大電流
功率
測量精度
CT伏安輸出
220V
0—1000V
15A
3kVA
< 0.5%
PT伏安輸出
220V
0—220V
5A
3kVA
< 0.5%
CT變比輸出
220V
0-8V
0—600A
―――
< 0.5%
PT變比輸出
220V
0—1000V
―――
―――
< 0.5%
CT 變比測量
比值zui高顯示:999.9K:5/1
< 0.5%
PT 變比測量
比值zui高顯示:999.9K:100、150、100/3、100/√3
< 0.5%
直阻測量
zui高測量阻值:0-20Ω
1Ω以下3%
1Ω以上<1%
角差
zui小顯示:0.01分
精度:±5分
比差
zui小顯示:0.01%
精度:<0.5%
二次通流
電流:0-200A
時間:5分鐘
二次耐壓
電壓:0-1000V
時間:5分鐘
工作溫度
-10~55℃
工作電壓
AC220V(±20%)50HZ
體積
350×240×270mm
重量
20kg
▍ 互感器特性測試儀接線使用說明方法 ↴
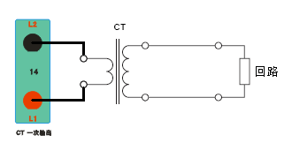
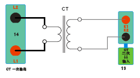
1.CT伏安接線圖

3.二次回路接線圖

4.PT伏安接線圖
5.PT變比接線圖

6.二次耐壓接線圖
7.二次直阻接線圖
8.二次負載接線圖

意聯電氣專業生產互感器特性綜合測試儀.互感器測試儀,產品選型豐富,免費指導使用方法,專業電測10年,找互感器特性綜合測試儀.互感器測試儀,選意聯電氣,打造電測精品。